咨詢電話
13924666952
400-158-1606
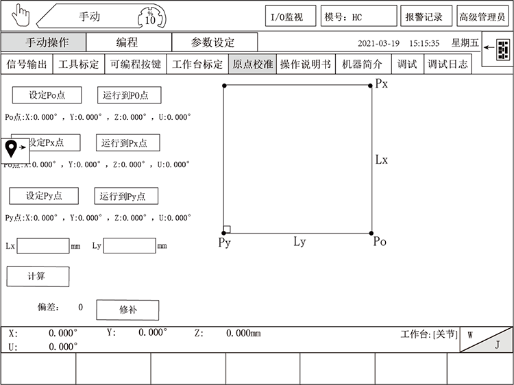
水平關節機器人系統為華成系列SCARA機器人控制系統,原點校準操作如下:
切換到“手動”狀態下,在此界面下可進行原點校準。

操作方法:
1)制作一個長為x(mm),寬為y(mm)的標準矩形,并將將矩形放在水平的平面上。
2)如上圖,以矩形的一個角為Po,設入Po位置;從Po點移動x(mm)到另一個角Px,設入Px的位置;再從Po點移動y(mm)到另一個角Py,設入Py的位置。
3)在Lx和Ly編輯框中分別輸入x(mm)和y(mm),點擊計算偏差。
4)計算偏差后,點擊修補,即可完成原點校準。
注意:原點校準后需斷電重啟。
版權所有 ? 深圳市華成工業控制股份有限公司 未經許可不得復制、轉載或摘編,違者必究 版權聲明
Copyright ? Shenzhen Huacheng Industrial Control Co., Ltd. All Rights Reserved.
網站ICP備案號: 粵ICP備19106162號
技術支持:新新網絡